Nové moderní hadicové a kabelové navijáky CEJN G2 -> řešení pro bezpečné a efektivní pracovní prostředí.

Potřebujete poradit s výběrem? Zavolejte nám 481 311 129

Jste tu poprvé? Zaregistrujte se

Sortiment

Manometry 3000 bar

Manometry 3000 bar

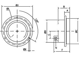
série CEJN zahrnuje manometry montované na spodní část a na panel . Všechny modely jsou plněné glycerinem pro lepší výkon a dlouhou životnost. Manometry jsou vyrobeny z nerez oceli, což znamená, že je lze používat ve znečištěném a drsném prostředí. Manometry lze připojit pomocí rozdělovače.

Max rec. working pressure: 75 % plného rozsahu stupnice.
Materiál: Nerez ocel AISI 316 a AISI 304. Číselník z hliníku s dělením stupnice tištěné černou barvou. Ručička z hliníku nebo nerez oceli. Těsnění z polychloroprenu. Okno z plexiskla.
Units: bar a PSI.
Třída ochrany: IP 65
Liquid: Plněno 98% glycerinem.
Accuracy: Ø 63 mm +- 1,6 % plného rozsahu stupnice. Ø 100 a 150 mm +- 1 % plného rozsahu stupnice.
Rozmezí teplot: 15°C — +65°C (59°F — +149°F)
Miscellaneous: Ø 100 a 150 mm, vyrobeno v souladu s normou EN 837-1. 
Doporučujeme: Produkty jsou seřazeny podle názvu zboží vzestupně. Produkty, které nejsou skladem, jsou řazené na konci. V této sekci mají některé produkty nastavené umístění na konkrétních pozicích.
4 produkty

Martin Drholec

technické poradenství

Pro technické dotazy
nebo poptávky volejte

+420 731 517 942

fdtools@fdtools.cz

nebo pište

Přihlášení

Zapomněli jste heslo? Pošleme Vám nové.
Jste tu poprvé? Vytvořte si nový účet.